降低电子设备的电磁干扰设计方案
来源:元器件交易网 作者:—— 时间:2012-02-07 14:59
1 引言
随着开关电源类的数字电路的普及和发展,电子设备辐射和泄漏的电磁波不仅严重干扰其他电子设备正常工作,导致设备功能紊乱、传输错误、控制失灵,而且威胁着人类的健康与安全,已成为一种无形污染,并不逊色于水、空气、噪声等有形污染的危害。因此降低电子设备的电磁干扰(EMI)已成为世界电子行业关注的问题。为此欧洲共同体有关EMC委员会制定有关法令于1992年1月1日开始实施,历时4年后于1996年1月1日最终生效。该法令指出凡不符合欧洲和国际 EMC标准规定的产品一律不得进入市场销售,违者重罚,同时把EMC认证和电气安全认证作为一些产品认证的首要条件。此举引起世界电子市场巨大的震动, EMC成为影响国际贸易一个重要的指标。为了与国际接轨,我国也相继制定了有关EMC法规。为此我国多次召开电磁兼容标准与论证会,建议自1997年1月1日起在市场上流通的电子设备必须制定、设计对无线电干扰的抑制措施,安置抑制元器件,使产生的电磁干扰不超过标准规定的电平。于2001年1月1日起凡进入市场产品必须有EMC标志。这是我国电子产品参与国际市场竞争的第一步。
2 抗干扰滤波器特征
抗干扰滤波器与通常的信号滤波器之间有着概念上的区别。信号滤波器是在阻抗匹配的条件下工作,即通过滤波器要保持输入与输出信号振幅不变为前提,将其中部分频域作预期的处理和变换。而EMI滤波器用于抑制进入设备与出自设备的电磁干扰,具有双向抑制性。因此这就要求EMI滤波器的端口处与设备产生最大失配。这样才能使滤波器对电磁干扰的衰减等于自身网络的衰减再加上输入和输出端口所产生的反射,必须遵循如下规律,见表1。其中Rs为电网输入阻抗,随着电量大小而变化;RL是EMI滤波器的输出阻抗,随负载大小而变。

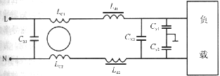
从电学角度来说只有阻抗不匹配的条件下才能在滤波器内产生最大的吸收(或损耗),用EMC俗语称之为“滤波器插入损耗”。EMI滤波器主要是消除或降低传导干扰。实际上传导干扰又分为共模干扰和差模干扰,所谓共模干扰是指相线与地线之间干扰信号的相位相同、电位相等,而差模干扰是相线间干扰信号相位差 180°(电位相等)。因此滤波电路也分为抗共模和抗差模干扰电路,参见图1。

图中LC1LC2,Cy1Cy2构成共模滤波电路,LC1LC2为共模滤波电感,而Ld1Ld2Cx1Cx2构成差模电路。共模电感Lc一般数值 0.3mH~38mH,共模电容Cy,只要控制在漏电电流于<1mA条件下,选择较大数值为准。而差模电感Ld一般在几十至几百微亨,其电容应选耐压大于1.4kV的陶瓷或聚酯电容。Ld1Ld2差模电感、电容值越大,低频效果越好。市场上购买的EMI滤波器大都是对共模干扰设计的,对差模抑制效果很差。实际上开关电源中共模与差模干扰同时存在,特别对于有源功率因数校正电路中差模干扰的强度很大。对于开关电源,EMI滤波器对高频的EMI信号抑制比低频的EMI传导消除容易得多。常常利用共模电感的差值形成的差模电感就能消除300kHz~30MHz传导干扰电平。设计和选用滤波器一定要根据电路的实际需要而定。首先测出传导干扰电平与所规定的EMC标准极限比较,一般0.01MHz~0.1MHz是差模干扰起主导作用,0.1MHz~1MHz是差模与共模干扰联合作用,而1MHz~30MHz主要是共模干扰起作用。根据实验结果来判断和选择对超标信号有抑制作用的滤波器或器件。当然实际操作相当复杂,要有相当高的技术水平和经验。
- •TE推出新的USB Type-C连接器2015-12-16
- •EMI测试的应用及相关的测试标准2015-12-01
- •物联网领域的光纤传感技术应用2015-11-30
- •意法半导体推出先进的1200V 绝缘栅双极晶体管2014-07-09
- •Molex 为医疗设备设计工程师提供先进技术解决方案2014-02-20
- •CAMD推出基于感应器的电磁干扰滤波器2013-08-09
- •WiFi不给力 五大方法来帮你2013-07-12
- •PLC控制系统中电磁干扰来源分析2012-03-23
- •消除单片机系统电磁干扰解决方案2012-03-20
- •LED驱动器减少低成本灯具的电磁干扰2011-12-26






