非电池供电全自主型系统的设计方案
来源:元器件交易网 作者:—— 时间:2011-12-30 14:56
测量和控制所需的超低功率无线传感器用量的激增、再加上新型能量采集技术的运用,使得能够制造出由局部环境能量而非电池供电的全自主型系统。
在替换或维护电池不方便、昂贵或危险时,这显然是有好处的。由收集能量供电的传感器节点可以在楼宇自动化、无线 / 自动测量、前瞻性维护、和其他很多工业、军事、汽车和消费类应用中使用。能量收集的好处是显而易见的,但是有效的能量收集系统需要智能电源管理电路,以将微量免费能量转换成无线传感器系统可使用的形式。
归根结底是占空比问题
很多无线传感器系统消耗非常低的平均功率,从而成为由收集的能量供电的主要对象。因为传感器节点常常用来监视缓慢变化的物理量,所以可以不经常进行测量,也不需要经常发送测量数据,因此传感器节点是以非常低的占空比工作的,相应地,平均功率需求也很小。例如,如果一个传感器系统在工作时需要 3.3V/30mA (100mW),但是每 10s 仅有 10ms 时间在工作,那么所需平均功率仅为 0.1mW,假定在传送突发的间隔期间不工作时,传感器系统电流降至数 uA。
电源管理:迄今为止在能量收集中仍然缺失的一环
仅消耗 uW 功率的微处理器和模拟传感器以及小型、低成本、低功率 RF 收发器得到了广泛采用。在实现实际的能量收集系统时,缺失的一环始终是可以靠一个或多个常见免费能源工作的电源转换器 / 电源管理构件。LTC3108 能在输入电压低至 20mV 时启动,为热能收集补上了缺失的这一环。LTC3108 采用 3mm x 4mm x 0.75mm 12 引脚 DFN 或 16 引脚 SSOP 封装,为用热电发生器 (TEG)、以低至 1°C 的温度差 (?T) 给无线传感器供电提供了一个紧凑、简单和高度集成的电源管理解决方案。
参见图 1,LTC3108 用一个小的升压型变压器和一个内部 MOSFET 形成一个谐振振荡器。变压器的升压比为 1:100 时,该转换器能以低至 20mV 的输入电压启动。变压器的次级绕组向充电泵和整流器电路馈送电压,然后给该 IC 供电,并给输出电容器充电。2.2V LDO 的输出设计成首先进入稳定状态,以尽快给微处理器供电。然后,给主输出电容器充电至由 VS1 和 VS2 引脚设定的电压 (2.35V、3.3V、4.1V 或 5.0V),以给传感器、模拟电路或 RF 收发器供电。当无线传感器工作并发送数据因而出现低占空比负载脉冲时,VOUT 存储电容器提供所需的突发能量。还提供一个开关输出 (VOUT2),以给没有停机或休眠模式的电路供电。电源良好输出提醒主机,主输出电压接近其稳定值了。一旦 VOUT 进入稳定状态,那么所收集的电流就被导向 VSTORE 引脚,以给可选存储电容器或可再充电电池充电。如果能量收集电源是间歇性的,那么这个存储组件就可用来给系统供电。还有一个 LTC3108-1 版本的器件,除了提供一套不同的可选输出电压 (2.5V、3.0V、3.7V 或 4.5V) 以外,与 LTC3108 完全相同。

图 1:LTC3108 方框图
热电发生器的基本原理
热电发生器 (TEG) 其实就是逆向工作的热电冷却器 (TEC)。热电发生器应用席贝克效应 (Seebeck Effect) 将设备 (通过该设备产生热量流动) 上的温度差转换成电压。输出电压的幅度和极性取决于 TEG 上温度差的幅度和极性。如果 TEG 的热端和冷端掉换过来,那么输出电压就改变极性。TEG 可以用一个受温度影响的电压源模型加一个串联电阻 (规定为 AC 电阻) 来代表。
TEG 的尺寸和电气规格多种多样。大多数模组都是方形的,每边的长度从 10mm 至 50mm 不等,标准厚度为 2mm 至 5mm。它们的开路输出电压视尺寸不同而不同,范围为 10mV/K 至 50mV/K。一般而言,对于给定的 ?T,较大的模组可提供较大的 VOUT,但是有更高的 AC 阻抗和更低的热阻。就给定应用而言,所需要的 TEG 大小取决于可用的 ?T、负载需要的最大平均功率、以及用来冷却 TEG 一侧的散热器热阻。
为了从 TEG 抽取可获得的最大功率,转换器输入阻抗必须相对于 TEG AC 电阻提供合理的负载匹配。LTC3108 转换器呈现约 2.5Ohm 的输入阻抗,这刚好在大多数 TEG AC 电阻 (0.5Ohm 至 7.5Ohm) 范围的中间。
需要考虑的热量问题
当在一个温暖的表面放置 TEG 以收集能量时,必须给 TEG 温度较低的一侧增加散热器,以允许热量传送到周围空气中。由于散热器的热阻,在 TEG 上呈现的 ?T 将低于温暖表面和环境之间的温度差,因为 TEG 具有相对较低的热阻 (典型情况下在 1°C/W 至 20°C/W 范围内)。
参见图 2 所示的简单热模型,考虑如下例子,一个大型机器在周围环境温度为 25°C、表面温度为 35°C 的情况下工作。将一个 TEG 连接到这台机器上,同时在 TEG 温度较低 (环境温度) 的一侧加上一个散热器。

图 2:TEG 和散热器简单的热模型
散热器和 TEG 的热阻确定了 10oC总温差 (?T) 的哪一部分存在于 TEG 的两端。假定热源 (RS) 的热阻可忽略不计,如果 TEG 的热阻 (RTEG) 为 4°C/W,散热器的热阻 (RHS) 也为 4°C/W,那么落在 TEG 上的 ?T 仅为 5°C。
由于较大的 TEG 表面积增大了,所以大型 TEG 比小型 TEG 热阻低,因此需要较大的散热器才有利。在受到尺寸或成本限制而必须使用相对较小的散热器的应用中,较小的 TEG 也许比大型 TEG 提供更多的输出功率。热阻等于或小于 TEG 热阻的散热器可最大限度地提高 TEG 上的温度差,因此能最大限度地提高电输出。
脉冲负载应用设计例子
由TEG 供电的典型无线传感器应用如图 3 所示。在这个例子中,TEG 上至少有 4°C 的温差可用,因此选择 1:50 的变压器升压比,以实现最高的输出功率。

图 3:无线传感器应用例子
LTC3108 提供一个典型的无线传感器所需的多个输出。2.2V LDO 输出给微处理器供电,而 VOUT 利用 VS1 和 VS2 引脚设定到 3.3V,以给 RF 发送器供电。开关 VOUT (VOUT2) 由微处理器控制,以仅在需要时给 3.3V 传感器供电。当 VOUT 达到稳定值的 93% 时,PGOOD 输出向微处理器发出指示信号。为了在输入电压不存在时保持工作,在后台从 VSTORE 引脚给 0.1F 存储电容器充电。这个电容器可以充电至高达 VAUX 并联稳压器的 5.25V 箝位电压。如果失去输入电压源,那么就自动由存储电容器提供能量,以给该 IC 供电,并保持 VLDO 和 VOUT 的稳定。
根据以下公式确定 COUT 存储电容器的大小,以在 10ms 的持续时间内支持 15mA 的总负载脉冲,从而在负载脉冲期间允许 VOUT 有 0.33V 的下降。请注意,IPULSE 包括 VLDO 和 VOUT2 以及 VOUT 上的负载,但充电电流未包括在内,因为与负载相比,它可能非常小。
考虑到这些要求,COUT 必须至少为 454uF,因此选择了一个 470uF 的电容器。
采用所示 TEG (以及大小合适的散热器),在 ?T 为 5°K 时工作,那么 LTC3108 在 3.3V 时提供的平均充电电流约为 560uA。用这些数据,我们可以计算出,首次给 VOUT 存储电容器充电需要花多长时间,以及该电路能以多大频度发送脉冲。假定充电阶段 VLDO 和 VOUT 上的负载非常小,那么 VOUT 最初的充电时间为:
假定发送脉冲之间的负载电流非常小,那么一种简单估计最大发送速率的方法是,用从 LTC3108 可获得的平均输出功率 (在本例情况下为 3.3V o 560uA = 1.85mW) 除以脉冲期间所需功率 (在本例情况下为 3.3V o 15mA = 49.5mW)。收集器可以支持的最大占空比为 1.85mW/49.5mW = 0.037 或 3.7%。因此最大脉冲发送速率为 0.01/0.037 = 0.27 秒或约为 3.7Hz。
请注意,如果平均负载电流 (如发送速率所决定的那样) 是收集器所能支持的最大电流,那么会没有剩余的收集能量给存储电容器充电。因此,在这个例子中,发送速率设定为 2Hz,从而留出几乎一半的可用能量给存储电容器充电。VSTORE 电容器提供的存储时间利用以下公式计算:
上述计算包括 LTC3108 所需的 6uA 静态电流,而且假定发送脉冲之间的负载极小。一旦存储电容器达到满充电状态,它就能以 2Hz 的发送速率支持负载 637 秒,或支持总共 1274 个发送脉冲。
热量收集应用需要自动极性
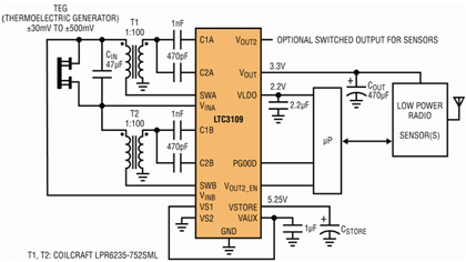
有些热量收集应用 (如无线 HVAC 传感器或地热供电的传感器) 要求电源管理器不仅能以非常低的输入电压工作,而且能以任一极性工作,因为 TEG 上的 ?T 的极性可能改变。
LTC3109 是惟一适合克服这种挑战的器件。LTC3109 运用两个具 1:100 升压比的变压器,能以低至 ±30mV 的输入电压工作。LTC3109 与 LTC3108 的功能相同,包括一个 LDO、一个数字可编程的输出电压、一个电源良好输出、一个开关输出和一个能量存储输出。LTC3109 采用 4mm x 4mm 20 引脚 QFN 和 20 引脚 SSOP 封装。图 4 显示了 LTC3109 在自动极性应用中的一个典型例子。如图 5 所示,该转换器的输出电流随 VIN 变化的曲线说明,该器件在任一极性的输入电压时,都能同样良好地工作。

图 4:自动极性应用例子

图 5:图 4 中转换器的输出电流随 VIN 变化的曲线
结论
LTC3108 和 LTC3109 能独特地在输入电压低至 20mV 时工作,或者以非常低的任一极性电压工作,提供了简单和有效的电源管理解决方案,能实现热能收集,可用常见热电器件为无线传感器和其他低功率应用供电。这些产品采用 12 引脚 DFN 或 16 引脚 SSOP 封装 (LTC3108 和 LTC3108-1) 和 20 引脚 QFN 或 SSOP 封装 (LTC3109),提供了前所未有的低压能力和高集成度,可最大限度地减小解决方案占板面积。LTC3108、LTC3108-1 和 LTC3109 提供了与现有低功率基本构件无缝连接所需的所有输出,以支持自主型无线传感器应用。






