ARM9微控制器如何实现上层控制算法解析方案
来源:元器件交易网 作者:—— 时间:2012-02-24 11:27
引言
在很多嵌入式控制系统中,系统既要完成大量的信息采集和复杂的算法,又要实现精确的控制功能。采用运行有嵌入式Linux操作系统的ARM9微控制器完成信号采集及实现上层控制算法,并向DSP芯片发送上层算法得到控制参数,DSP芯片根据获得的参数和下层控制算法实现精确、可靠的闭环控制。
1 多机系统组成
该多机控制系统以ARM9微控制器s3c2440为核心,采用I2C总线挂载多个DSP芯片TMS320F28015作为协控制器,构成整个控制系统的核心。
1.1 S3C2440及TMS320F28015简介
Samsung公司的处理器S3C2440是内部集成了ARM公司ARM920T处理器内核的32位微控制器,资源丰富,带独立的16 KB的指令Cache和16 KB数据Cache,最高主频可达400 MHz.它拥有130个通用I/O、24个外部中断源以及丰富的外部接口能实现各种功能,包括支持多主功能的I2C总线接口、3路URAT、2路SPI、摄像头接口等。
TMS320F28015(以下简称F28015)是TI公司的32位处理器,它具有强大的控制和信号处理能力,能够实现复杂的控制算法。片上整合了Flash存储器、I2C总线模块、快速的A/D转换器、增强的CAN总线模块、事件管理器、正交编码电路接口及多通道缓冲串口等外设,此种整合能够方便地实现功能的扩展。同时,快速的中断响应使它能够保护关键的寄存器并快速(更小的中断延时)地响应外部异步事件。
1.2 I2C总线接口
I2C总线是一种用于IC器件之间连接的串行总线,采用SDA(数据线)和SCL(时钟线)两线连接每个带有I2C总线接口的器件或模块。串行的8位双向数据传输率在标准模式下可达100 kb/s,快速模式下可达400 kb/s.多个微控制器可以通过I2C总线接口非常方便地连接在一起构成系统,并根据地址识别每个器件。这种总线结构的连线和连接引脚少,器件间总线简单,结构紧凑。因此其构成系统的成本较低,并且在总线上增加器件不会影响系统的正常工作,所有的I2C总线器件共用一套总线,因此其系统修改和可扩展性好。
总线必须由主机(通常为微控制器)控制,主机产生串行时钟( SCL) 控制总线的数据传输,并产生起始和停止条件。SDA 线上的数据状态仅在SCL为低电平的期间才能改变,SCL为高电平的期间,SDA 状态的改变被用来表示起始和停止条件。I2C总线起始和停止时序如图1所示。

图1 I2C总线起始和停止时序
1.3 硬件电路
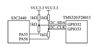
S3C2440和F28015自身均集成了I2C总线模块,支持多主设备I2C总线串行接口,可以方便地挂接到I2C总线上。因此,两者之间的I2C总线接口电路的设计变得十分简单,只要将两者的对应引脚I2C_CLK(对应I2C总线中的SCL线)和I2C_SDA(对应I2C总线中的DATA线)连接起来即可。S3C2440和TMS320F28015的硬件接口电路如图2所示。

图2 S3C2440和TMS320F28015的硬件接口
电路S3C2440的PA55和PA56引脚分别对应I2C_SDA和I2C_CLK,而F28015的GPIO32和GPIO33也可以分别复用为I2C_SDA和I2C_CLK.考虑到阻抗不匹配等因素会影响总线数据传输效果,因此在将两块芯片的I2C_DATA和I2C_CLK引脚直连时,在直连线路上各串联一个小电阻。
I2C_SDA和I2C_CLK是双向电路,必须都通过一个电流源或上拉电阻连接到正电源电压上。由于S3C2440和F28015的输出高电平均为3.3 V,所以在硬件设计时将I2C_SDA和I2C_CLK总线通过上拉电阻连接到了3.3 V的VCC电源上。
2 ARM和DSP通信软件设计
运行Linux操作系统的ARM微控制器作为主控制器,在数据管理及多任务调度等方面有显着优势,可以很好地组织外围器件采集的数据;主要实现对系统的整体控制,并通过总线设备驱动程序控制I2C总线模块,通过主机寻址实现向I2C总线上挂载的下层DSP的数据收发。为保证数据通信的实时性,F28015通过中断响应的方式实现数据接收和发送。
- •瑞萨电子广受欢迎的RA0系列推出新产品, 卓越的功耗、更宽的温度范围2025-04-22
- •东芝推出带有嵌入式微控制器的SmartMCD系列栅极驱动IC2024-03-28
- •东芝推出“TXZ+族高级系列” ARM Cortex-M3微控制器2023-06-27
- •瑞萨电子发布首颗22纳米微控制器样片2023-04-11
- •PC 及其他电子消费品对微控制器需求 Q4 预计大幅下滑,但汽车需求稳定2022-11-09
- •国民技术与华夏芯公司就高性能微控制器项目开展研发合作2021-06-02
- •意法半导体推出具有更高性能和先进网络安全功能的STM32U5超低功耗微控制器2021-03-12
- •微控制器厂盛群IC类产品,全面调高15%价格2021-02-02
- •英飞凌推出安全微控制器,构筑全面的物联网生命周期管理解决方案2020-10-20
- •Maxim发布微控制器,提供业界最低功耗、尺寸的同时提高系统可靠性2020-06-28






