LED显示屏低灰信号起辉条件合理性探讨
来源:LED环球在线 作者:--- 时间:2011-05-31 00:00
作者 柏狮光电智能显示总工程师 任兴业 本文探讨的主题“LED显示屏低灰信号起辉条件” ,是一个目前显示屏行业标准里没有规定,而实际生产工程中又必须直接面对的一个技术问题。一方面,部分LED显示屏厂家追求的高灰度,高刷新频率,高显示密度的显示效果;另一方面又努力强调低成本,采用一些技术参数达不到设计要求的部件。这种做事方式势必导致一种相反的结果,实际上LED显示屏的显示效果与期望的显示效果背道而驰。
我们一致认为LED显示屏根据实际的显示环境亮度需要规定一个比较恰当而合理的低灰信号起辉值规范是非常必要的。这既符合整个LED显示屏产业链良性协作整合,也符合绝大多数消费者地实际利益。
自上世纪90年代以来,LED显示屏逐渐在生产生活中大量使用。伴随着LED显示屏的高速发展,在显示屏行业内也涌现出一批优秀企业,例如柏狮、雷曼、利亚德等LED显示行业的领军企业,在技术研发,质量管理体系的建设,处在行业的领先位置。
LED显示屏的发展经历了单色显示,灰度显示,全彩显示的发展历程,目前正朝着高一致性、高灰度级、高显示密度的高清晰显示方向发展。人们总是期望事物的完美,LED屏也不例外,在各个方面人们不断改进技术,提高性能,以使LED屏获得生动逼真的显示效果。实际工程中,LED显示屏的各种参数,如灰度和场频等,虽然各个公司依照不同的理解而采用的数值有所不同,但事实上无论是单色屏、双色屏、灰度屏,还是全彩屏,LED显示屏各种设计参数的选取并不是随意的,而是有许多限制条件的,在设计中反复的选取参数还是有某些设计原则需要遵守的。LED显示技术发展的十几年中,新器件和新技术不断采用,制造成本逐渐降低,生产分工不断细化,但大量应用的同时也暴露出LED显示技术若干缺陷,总体上来说技术尚未成熟,标准尚未完全建立。LED显示屏行业国家标准(SJ/T11281-2007),已经对显示屏产品的相关技术参数进行合理规范,但是涉及到显示屏发光的二极管LED、电源系统、控制系统和结构组件等显示屏部件产品方面,还需要进行更深入的标准化研究和相关规范文件的产生。
用于室外或半室外的LED显示屏的观看环境亮度较高,所以信号亮度必须与背景有亮度差(比)。一般情况,如果是文字可以是2:1,如果是图像其中还有差别,经验上10:1是容许的最低限度,20:1是标准,希望在40:1以上。行业测试标准中关于亮度等级的定义是:室内环境照度为100×(1+10%)LX和室外环境照度为10000(1+10%)LX条件下,亮度等级达到20级以上的显示屏归入C级(最高级)。“LED显示屏低灰信号起辉条件”与LED显示屏实际显示使用环境条件相结合,通过对系统,电源,恒流驱动,LED开启参数等驱动条件的研究,尽快制定出更加合理的芯片,系统,电源和LED灯管的行业检验标准,是整个行业所期盼的。在LED显示屏厂商逐渐追求LED显示屏高灰度显示的趋势之下,讨论LED显示屏低灰度起辉条件的合理性变得更加迫切。
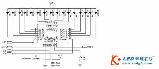
LED显示屏的模块驱动电路,一般包括静态和动态驱动两种电路拓扑,如图一和图二。
图像(视频)信号通过控制器将控制信号进行串行编码后,串行图像数据(及SDO)通过恒流IC级联的方式进行传输分配,恒流IC将串行图像信号进行串并转换后去驱动LED点阵中的每位LED灯管;LED灯管正端供电电压正常条件下,恒流驱动IC的输出通道在有效图像位驱动信号的作用下进行开启和关断,从而达到驱动LED点亮和熄灭的功能;恒流驱动IC的电流通过外置电阻REF来调节,通过改变REF的值来实现电流大小的调整。
简单地从图一和图二的电路来看,影响LED点亮的直接因素包括:图像(视频)的位驱动信号,LED灯管,点阵模块的供电,恒流IC的信号驱动特性,LED点阵模块的电路设计等因素。本文就从这几个方面的技术特点阐述LED显示屏低灰度起辉条件。同样条件下,由于动态和静态扫描的电路相比,动态电路要求的扫描最小时间更短,低灰度起辉的条件更加严峻,所以本文就以1/4扫的动态驱动电路为例来简单讨论。
图一LED显示屏静态恒流驱动电路图
图二 LED显示屏动态1/4扫恒流驱动电路图
一、LED图像(视频)系统控制系统
LED显示屏的实际显示效果直接影响了人们对其的接受程度,在这一点上LED显示屏与其它显示屏如CRT和液晶显示屏并无区别。人们根据对传统显示屏的印象往往很容易察觉出显示效果是粗躁还是细腻,自然还是生硬。LED显示屏的实际效果已成为现阶段各生产厂商关心的重要方面。控制系统的扫描方法对显示效果的影响,阐述了扫描参数与亮度,对比的,闪烁和颜色校正之间的关系。
常用灰度实现方法是占空比方式。这一点的依据来源于HVS(人眼视觉系统)的特性:人眼视觉对于光的刺激从感觉上会有一段残留时间,在该段时间内,若有别的光刺激到达视野内的其他场所,从感觉上会产生与前面的光线同时达到的效果,假如后续的光刺激到达同样的场所,其感觉的强度会被叠加(被积分)。将LED灯管恒流驱动,如果在上述时间间隔内,以宽度不同的一系列脉冲控制LED发光,人眼感觉到的光强就是这一系列的光刺激强度的和。LED所具有的快速响应特性可以使脉冲频率高达数十兆赫兹。因此,控制LED点亮所占时间比,即可控制人眼感受的亮度。例如用1MHZ,占空比为25%,峰值电流为100mA的脉冲去驱动LED,与用25mA的直流驱动相比其感受的亮度是相同的。
常用灰度实现方式采用占空比方式,比方说实现28即256级灰度的方法如下:各个段的时间长度按照1:2:4:8:16:32:64:128来安排。要显示某级灰度的数据,只需要在相应的时间段内点亮LED,如22级灰度即可在第2,3,5时间段点亮LED,连续扫描后即可得到稳定的带灰度的图象。对于4扫的控制电路,将每桢时间分为4段,每段时间内扫描屏体的一线。每段时间内再将LED点亮时间按照1:2:4:8:16:32:64:128来安排,在每线过程中一次将所有灰度扫完再扫下一线。
假如桢频是F,一个n位二进制数D=[D0, D1,…Dn-1,]表示显示灰度,那么对同一个像素点可以通过n场分别以D0, D1,…Dn-1,对应的占空比D0/20, D1/21,…Dn-1/2n-1循环显示(如图三所示), 那么最小的时间周期与桢频的关系是:TC*4<1/F,其中TC=(∑2i+n-m)*T,i从0到m-1,n≥m .各个控制器厂家的编码略有不同,但基本上遵行上述规律。
图三 一种LED显示屏灰度编码导通时间示意图
为了满足显示的效果,4段扫完的总时间不能大于18ms.这就要求最小灰度级的导通时间Ton,必须足够小。随着LED显示屏的灰度级数设置得越高,Ton就变得更小了。最新的高速数字电路的处理速度完全能够满足16BIT灰度级数的信号编码处理能力。但是目前决大多数的模块信号传输带宽,恒流驱动芯片传输带宽却是满足不了这么快的信号速度。传统恒流芯片的带宽和传统LED模块信号传输路径带宽已经成为LED显示屏高灰度显示的技术瓶颈。当然对于实际的低灰度信号的起辉效果变得也更加恶劣,基本上是亮度成随机不一致性分布。
二、LED恒流IC的信号驱动特性
如图三,每一个LED单管都是独立可控的,当开关闭合时,电流从行电源,经LED,开关到地,从而点亮;开关断开时,LED熄灭。LED阵列就是由相应的开关阵列(控制器+恒流芯片)控制,控制信号由LED图像(视频)控制系统逻辑产生。控制逻辑依据结构定义信号的意义,独立控制各个LED.开关阵列可以采用各种形式,一般用电子开关(恒流驱动IC),甚至可以是控制逻辑中的一部分。串行逻辑不但接口简单,而且容易级联(SDI和SDO),组成更大的阵列,所以使用更为广泛。驱动模块的恒流芯片采用串行方式,内部设置串行、并行两组寄存器,通过时钟SCLK将数据串行输入模块,通过锁存信号LAT将串行数据存入并行寄存器,同时通过OE使能信号驱动更新屏体显示。
图三 LED显示屏动态1/4扫恒流驱动通道电流和电压示意拓扑图
图四 LED显示屏动态恒流驱动时序示意拓扑图
传统控制系统中,如图四所示的OE信号是一个受灰度调制的脉宽信号,当低灰度信号时,这个脉宽信号的宽度非常窄。尤其是在高灰度级编码的情况之下,这个脉宽宽度将更窄。而这个窄信号的驱动将使开启恒流芯片的输出通道的时间也是非常窄。在高灰度级编码情况之下,低灰度信号驱动的直接效果是将不足以驱动LED点亮。
尤其是恒流芯片本身的开启能力(响应时间)将直接影响低灰度的显示效果。譬如,TI的TLC5928的OE最小有效宽度是20ns,这种开启能力将有助于低灰度起辉显示的功能。相反,如果OE的最小有效宽度不能做小(受芯片本身的响应能力影响),必使LED的低灰度起辉效果变得更差。
三、LED灯管
LED灯管跟普通的二极管一样具有的开关特性,如图五所示。(1)是一种理想的加载到二极管的正向和反向电压示意图;(2)是当二极管从加载正向电压到加载反向电压时,反向电流恢复变化的曲线示意图;(3)是正向和电压向反向电压过渡的曲线示意图。
图五 二极管的开关特性示意图
由于二极管内部的势垒电容的扩散电容的作用下,反向电流上升率与结温,及开关前的正向电流等因素有关。反向恢复时间trr是延迟时间td与下降时间tf之和,其对二极管的工作频率具有决定性的作用,限制了开关速度。同样正向恢复时间也限制了正向电流上升速率和开关速度。
图六 二极管的正向导通示意示意图
LED正常发光的条件是,加载在PN结上的正向电压值达到一定的VF开启门槛值时(如图六),LED开始辐射发光,并在一定正向电压电流安全范围内发光强度与正向电流成近似正比例关系。但是实际应用时,一定不要让加载在LED上的脉冲电流或脉冲电压超过LED的最大极限值,否则,将造成LED芯片的损伤,击穿LED或致使LED漏电流逐渐增大。
正常情况之下,LED的反应速度在100MHZ以上,完全可以满足高灰度级低灰信号驱动时的正常显示功能。但是如果外围电路的分布参数使得,LED在高灰度级的低灰信号驱动时的驱动压降不能达到正常开启的电压值,那么LED将不能正常点亮。
四、LED点阵模块的供电
如图六所示,4扫的点阵模块的行电源通过4个LED连接到恒流信号的输出通道上,当V1(V2,V3或V4)减去VD的值大于LED的正常开启值时,LED将点亮。
图六 二极管的正向导通示意示意图
行信号扫描结束后,该行电压总线上任将保持一个电压,这个电压如果保持得足够高,将实现动态扫描得拖尾显示的故障现象。相反,对于某些编码的控制系统,如果这个行电压在高灰度级的低灰信号驱动时行电压总线上的电压值不能升到正常的正电压值,也将影响低灰信号的正常开启显示。
五、LED点阵模块的电路设计等因素
LED显示模块电路的设计可以充分考虑通过增加外围电路,来改善信号传输的带宽,通过增加旁路电容来消除电压尖峰,在供电支路上增加磁珠来改善电流尖峰,而从达到在实际使用中合理保护免受LED损伤的目的。
在实际应用中,我们发现很多情况之下,低灰信号显示不正常的直接原因是恒流芯片的输出通道端的电压(如图六中的VD)在低灰信号驱动时,不能下降到正常的电压值,从而导致了LED的正向压降达不到正常的开启值,所以不能正常起辉。我们在电路设计中可以采用一些辅助电路,来帮助输出通道进行信号驱动前的预充放电的动作,就可以解决低灰信号起辉的问题。
针对低灰信号起辉的问题笔者所任职的柏狮公司已经通过实验验证,取得了大量的有用实验数据。我们愿意将这些研究成果与LED显示行业的同行进行共享,共同给力LED显示行业的良性发展。
柏狮认为,为了满足高灰度级设置时的低灰信号起辉的正常显示,是需要控制系统,恒流驱动芯片,LED灯管,模块电路等部分的一起协同配合的结果;采用最好的材料做最好的显示屏是我们对客户的负责的基本态度,与此同时,也应该从实际使用的角度来合理对待高灰度级设定时的低灰信号驱动的起辉显示的问题:低灰信号起辉是否对正常使用真正地起到非常重要的作用?低灰信号不起辉是否真正蕴含着某种潜在的质量风险?






