在三种截然不同的电源之间实现无缝切换设计方案
来源:元器件交易网 作者:—— 时间:2012-02-08 14:06
对于消费类手持式设备而言,历史悠久的两节AA(碱性或镍氢电池)电源便是其最常用的电池解决方案,尤其是在GPS导航装置、数码相机和MP3播放机中。AA电池购买方便、成本较低、而且具有高功率密度。在这些便携式设备中,有许多都采用了插入式交流适配器,并提供了一根USB总线(用于数据传输)作为电池电源的补充。USB总线还可被用来供电。问题是如何在这三种截然不同的电源(两节AA电池、交流适配器和USB)之间实现无缝切换。LTC3456便是一款适合的解决方案。
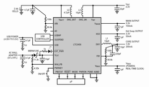
LTC3456是一款完整的系统电源IC,可实现AC交流适配器、USB和两节AA电池之间功率通量的无缝管理,并符合USB电源标准,所有这些功能均集成在一个4mm x 4mm QFN封装之内(图1)。该器件生成了两个单独的电源轨:一个3.3V(固定)主电源和一个1.8V(可调)内核电源。此外,LTC3456还包含一个全功能USB电源管理器、一个用于给存储插件供电的热插拔(Hot Swap)输出和一个适合用作低电池电量比较器或LDO控制器的独立增益部件。该器件还生成了一个始终处于运行状态的VMAX输出,该输出适合于为诸如实时时钟等即使在停机期间也必需处于工作状态的关键部件输送功率。

图1 LTC3456是一款采用微型4mm x 4mm封装的完整系统电源管理IC
LTC3456
LTC3456包含四个工作效率高达92%的高效1MHz固定频率开关稳压器。图2示出了LTC3456的一种典型应用。便携式应用中所使用的大多数处理器都需要双电源电压。这些电压可以是3.3V(用于I/O电路)和1.5V或1.8V(用于处理器内核)。此外,处理器还有可能要求电源以一种特定的顺序启动,以防止发生处理器闭锁或错误起动。通常,内核电源必须在I/O电源之前上升。

图2 基于LTC3456的完整电源解决方案,包括一个1.8V输出(用于处理器内核)、一个3.3V输出(用于I/O)、一个3.3V热插拔电源(用于存储插件)和一个VMAX输出(用于RTC)
LTC3456具有用于内核和主输出的内置电源排序功能。上电时,VINT输出(一个固定的3.3V电源)率先执行上电操作。它负责向大部分内部电路供电。应对该输出端上的外部负载大小加以限制。可调范围为0.8V至1.8V的内核输出随后上升,接着是VMAIN输出。VMAIN输出(一个固定的3.3V电源)在内核输出进入调节状态之后延迟0.8ms(典型值)上电。VMAIN输出由VINT输出通过一个内部0.4Ω(典型值)PMOS开关而产生,并可被用来向I/O电路供电。0.8ms延迟为处理器在外围电路上电之前完成系统时钟的稳定和内部寄存器的装载提供了充足的时间。
LTC3456产生了一个可调范围为0.8V至1.8V的内核输出,该输出适于为新型低电压处理器(ARM等)供电。LTC3456控制电路允许内核输出的工作占空比达到100%。当内核输出由电池来供电时,它提供了低压降操作,从而延长了电池的使用寿命。当由电池供电时,主转换器和内核转换器均提供了突发模式操作(可利用MODE引脚来选择),因而在轻负载条件下实现了高效率。在采用电池供电的情况下,内核转换器具有超过92%的效率。当由USB/墙上电源来供电时,突发模式操作被停用。当由USB来供电时,主转换器实现了高达90%的效率。






