基于max7219芯片的大尺寸led数码显示驱动电路设计
来源:飞象网 作者:--- 时间:2011-07-07 00:00
本文提出一种基于MAX7219芯片,具有扩展驱动能力的LED数码显示电路。主要应用在大尺寸、高亮度LED数码管的显示电路。
1 电路器件功能简介
1.1 MAX7219功能简介
MAX7219为24引脚芯片,如图1所示。有+5V电源和2个GND引脚;DIG 0~DIG 7引脚为8位数字驱动线,输出位选信号;SEG A~SEG G和SEG DP引脚为LED 7段驱动线和小数点线,供给显示器驱动电流;SET引脚外接电阻调整LED显示亮度;DIN(数据输入端)、CLK(时钟输入端)、LOAD(锁存信号)引脚,构成与通用微处理器3线串行线相连,接收的数据和命令格式为16位数据包;DOUT引脚是串行数据输出端口,用于多片MAX7219级联扩展显示。

16位数据采用串行移位接收方式,即单片机将16位二进制数逐位发送到DIN端。在CLK上升沿到来前准备就绪,CLK的每个上升沿将一位数据移入MAX7219内移位寄存器,当16位数据移入完毕,在LOAD引脚信号上升沿将16位数据装入MAX7219内的相应位置,在MAX7219内部硬件动态扫描显示控制电路作用下实现动态显示。对MAX7219的控制操作很方便,其片内具有8个位寄存器和6个控制寄存器。位寄存器对应LED的具体显示内容,控制寄存器决定LED的工作方式。控制寄存器分别为:不工作方式寄存器、译码方式寄存器、亮度控制寄存器、扫描个数寄存器、关闭寄存器、显示测试寄存器。寄存器的操作格式为2字节的串行数据,第一个字节为寄存器地址,第二个字节为控制命令或待显示数据。
1.2 ULN2803驱动电路
ULN2803是摩托罗拉公司生产的具有高电压、大电流的8路达林顿驱动器,广泛应用于计算机、工业和消费类产品中。管脚连接见图2所示,引脚1~8为8路输入端,TTL电平驱动,引脚11~18为对应的8路集电极开路输出口,上挂负载,最大工作电压50V,驱动电流可达500mA,引脚10为COM端,当上挂电阻性负载时,引脚10开路;当上挂电感性负载时,引脚10接负载电源,构成在每个感性负载两端并联一个续流二极管以防止反电势击穿器件。

1.3 大尺寸数码管特性

2 大尺寸LED数码显示驱动电路设计
2.1 电路组成与原理
MAX7219工作时,在内部硬件动态扫描显示控制电路作用下,实现动态显示。DIG0~DIG7引脚接8位数码管的公共端,其信号时序见图4。当输出数码管位选信号DIG0~DIG7某位为低电平时,段码线SEGA~SEGG和SEGDP输出数据为所要显示段码,并驱动共阴极LED,实现8位数码管动态循环显示。

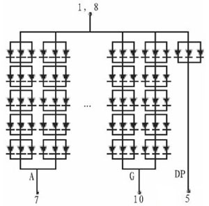
图5为8位共阳LED数码显示电路,图中MAX7219引脚DIG0~DIG7位码线分别接8片74LS273锁存器11(CP)脚锁存控制端,相当于片选信号;段码线SEGA~SEGG和SEGDP以数据总线形式接在8片74LS273触发器器的D0~D7输入端;当DIG0~DIG7片选信号某一位是低电平时,数据总线D0~D7为对应的段码数据;当片选信号11(CP)脚有一个上升沿,立即锁存输入脚的电平状态,并立即呈现在输出脚Q0~Q7上锁存:DIG0~DIG7片选低电平信号循环扫描,将要显示的数据段码,分别送入对应的触发器锁存。

图5 8位共阳LED数码显示电路
2.2 电路几点说明
1)数码管显示方式
MAX7219在内部硬件动态扫描显示控制电路作用下,实现LED数码管动态显示。在本电路中采用74LS273触发器锁存各数码管的段码驱动信号,当MAX7219动态扫描完成一个周期后,可通过微处理器,控制MAX7219工作在休眠状态,即不工作方式。此时数码管为静态显示方式,通过74LS273锁存的数据,由ULN2803驱动数码管显示。电路实现MAX7219间歇工作,只有在数码管显示改变的情况下,启动MAX7219工作,完成数据更新锁存后,进入不工作状态,以节省功耗。
2)数码管亮度控制
图5中的数码管供电电压为最大电压12.5V,通过微处理器输出脉宽调制信号PWM,控制PMOS管,调整数码管供电电压,实现数码管亮度控制。由于数码管供电电压为最大允许电压,提高了数码管工作的安全系数,采用占空比调整数码管亮度,可靠、方便。同时取消了A~G字段的限流电阻,降低了功耗。
3 结束语
基于MAX7219芯片的大尺寸LED数码显示驱动电路,保留MAX7219的使用优点的同时,实现了在显示电路作用下的大尺寸数码管的动态显示,另外驱动电路可通过微处理器输出的脉宽调制信号PWM,实现数码管得两度可调。经实验测试证明该电路工作性能稳定,具有很高的实用价值。
上一篇:迪拜将造全球最大LED屏幕






