高增益直接耦合多级放大电路设计方案
来源:元器件交易网 作者:—— 时间:2011-12-29 14:32
其中
IR =(VCC-UBE3-UBE2)/R (4-3)
3 特点和问题
恒流输入管T3的Re3 ≈rbe /2,使它的IC3稳定性大为提高,IC3与IR之间的误差也大大减小。但电源电压变化时,IC3和IR几乎按同样比例变化。要求 为uA级时,R仍然太大。
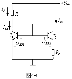
3.微电流源(图4-9. 6)
1 组成
在镜像电流源T2管的发射极上加接电阻Re 。

2 工作原理
UT .ln(IC1 /IC2)=IC2Re (4-4)
3 特点
小而稳。用不大的Re就可以使IC2为uA级。由于引入Re, IC2更加稳定。由于UBE2 <
4.多路电流源
用同一个参数电流IR ,同时产生几个输出电流,给多个放大管提供偏置电流或作为有源负载。
5.电流源的应用
1 为集成运放各级提供小而稳的偏置电流
2 作为各放大级的有源负载,提高电压增益。
优点:(a)用三极管代替大电阻,节省硅片面积,降低成本。
(b)用较少的级数可获得很高的增益,由于级数少和电路输出阻抗大,集成运放的消振问题容易解决
(c)由于放大管集电极电流与集电极电位无关,电路可以在很宽的电源电压范围内工作而偏置电流基本不变。
下一篇:高性能宽带信息网技术研究开发方案
- •分相放大电路分析实验电路图2019-01-23
- •低照度放大电路图及原理2019-01-23
- •光棒放大电路图及原理2019-01-23
- •红外探测器放大电路图及原理2019-01-23
- •脉冲放大电路图及原理2019-01-23
- •单管低频电压放大电路2019-01-23
- •硫化铅光电元件的放大电路2019-01-23
- •数控线切割机上用的光电放大电路2019-01-23
- •压力测量放大电路2019-01-23
- •应变片通用放大电路2019-01-23






