照明用LED驱动技术及应用
来源:LED环球在线 作者:--- 时间:2011-03-03 00:00
1、引言
“低碳”生活是目前倡导的一种观念,对于照明来说,LED的应用就是具体体现。LED具有环保、节能、效率高、寿命长、安全可靠的优势,为此,必须了解LED的使用条件、工作原理、驱动方法和典型应用。
2、LED工作原理
要设计驱动电路,首先要掌握其工作原理。LED的亮度主要与VF、IF有关。LED的伏安特性见图1,其中VF是LED的正向压降、IF是正向电流。当正向电压超过阈值(即导通电压,如图约1.7V)时,可近似认为IF与VF成正比。由图可知,LED的最高IF可达1A,而VF通常为2 V~4V.
图1:LED的VF与IF 的关系
LED的正向压降变化范围比较大(可达1V以上),而由上图中的VF-IF曲线可知,VF的微小变化会引起IF较大的变化,从而引起亮度的较大变化。所以,通常LED的发光特性都用电流的函数来描述,而不是电压的函数。但一般的整流电路的输出电压随着电网电压的波动也会变化,由此可知,采用恒压源驱动不能保证LED亮度的一致性,并且影响LED的特性。因此,LED驱动通常采用恒流源驱动。
3、LED驱动技术
由LED的工作原理知道,要使LED保持最佳的亮度状态,需要恒流源来驱动。驱动的任务既要保持恒流特性,还要保持较低的功耗。为了满足以上要求,通常采用的控制电流的方法有:通过调节限流电阻的大小实现控制电流;通过调节限流电阻上的基准电压来调节电流;PWM调制实现电流控制。LED的驱动技术与开关电源中应用的技术十分类似,LED驱动电路是一种电源转换电路,但输出的是恒定电流而非恒定电压。无论在任何情况下,都要输出恒定而平均的电流,纹波电流要控制在一定的范围内。
⑴ 限流法
如图2所示,这是传统的电路。电网电压通过降压、整流、滤波后,通过电阻限流使LED稳定工作。这种电路的致命缺点是:电阻R上的功耗直接影响了系统的效率,再加上变压器损耗,系统效率约50%.当电源电压在±10%的范围内变动时,流过LED的电流变化将≥25%,LED上的功率变化超过30%.电阻限流的优点是设计简单、成本低、无电磁干扰;但是电流会随着VF的变化而改变亮度,效率很低,散热难。
图2:限流法
二极管改为空心通直线,电容为平行直线,删除‘+’号,符号改为斜体,脚注改为小写正体
⑵ 稳压法
图3是在图2的基础上加了一个集成稳压元件MC7809,使输出端的电压基本稳定在9V,限流电阻R可用得很小,不会造成LED的电压不稳。但是,此电路效率还是低。因为MC7809和R1上的压降仍占很大比例,其效率约为40%左右。这就称不上是节能照明产品。为了达到既能使LED稳定工作,又能保持高的效率,应采用低功耗的限流元件和电路来使系统效率提高。线形稳压法的优点是结构简单、外部元件少、效率中等、成本较低。
图3:稳压法
二极管改为空心通直线,电容为平行直线,删除‘+’号,符号改为斜体,脚注改为小写正体
⑶ PWM法
PWM脉宽调制,即用脉宽调制的方法,改变LED驱动电流的脉冲占空比来控制光的亮度。是利用简单的数字脉冲,反复开关LED驱动器的调光技术。使用者只需提供宽、窄不同的数字脉冲,即可实现改变输出电流,从而调节白光LED的亮度。此驱动电路的特点是,通过一个电感器将能量传递给负载,通常是用一个PWM控制信号,对MOSFET晶体管触发导通和关断来实现。通过改变PWM的占空比和电感器的充放电时间,对输入电压和输出电压的比率进行调节。这类电路常见的结构包括降压、升压、降压-升压等类型。优点是高效、稳定,但容易产生人耳听得见的噪声,成本高,设计复杂。
图4:PWM法
上图的符号改为斜体
图4的PWM信号,经过三极管VQ1的基极连接到P沟道MOS管的栅极上。P沟道MOS管的栅极驱动,采用简单的NPN三极管驱动放大电路,以改善MOS管的导通过程,减少驱动电源的功率。当驱动电路直接驱动MOS管时,会引起被驱动MOS管的快速开通和关断,这就可能造成被驱动MOS管漏源极间电压的振荡。一则引起射频干扰,二则有可能造成MOS管遭受过高的电压而击穿损坏。为解决这一问题,需在被驱动MOS管的栅极与驱动电路的输出之间串联一只无感电阻。当PWM波输出高电平时,三极管VQ1导通,从而使MOS管的栅极电压低于源极电压,MOS管的源极和漏极导通,LED点亮。当PWM波输出低电平时,VQ1截止,LED熄灭。
4、典型照明LED驱动方案
目前全球LED市场主要有日本的日亚化学(Nichia)、丰田合成(ToyodaGosei)、美国Cree公司、欧洲飞利浦(PhilipsLumileds)和欧司朗(Osram)5家掌控。照明LED驱动芯片制造商,国内利用较多的有华润矽威科技和台湾点晶科技的产品,国外利用较多的有安森美和美国国家半导体等芯片。
(1)华润矽威的LED驱动芯片
华润矽威科技最新推出的PT4207采用SOP8封装,是一款高压降压式LED驱动控制芯片,能适应从18V到450V的输入电压范围,可支持上百个LED的串并联驱动应用,占空比最高可达100%,以保证系统的高效能。内置输入电压补偿功能,极大改善了PT4207在不同输入电压下的LED电流稳定性。PT4207内置一个350mA开关,并配备外部MOS开关驱动端口。对于350mA以下的应用无需外部MOS开关,对于高于350mA的应用可采用外部MOS管扩展电流。LED电流可通过外部电阻设定。通过多功能调光DIM管脚,可使用电阻或DC电压线性调节LED电流,也可使用数字脉冲信号进行PWM调光。PT4207具有多种保护功能,包括负载短路保护、开路保护、过温度保护等。适合AC/DC LED日光灯、RGB背光LED驱动、LED环境装饰灯等各种应用。PT4207的典型应用线路如图5所示。
图5:LED日光灯驱动芯片PT4207典型应用线路
二极管改为空心通直线,电阻为长方形,符号改为斜体,脚注改为小写正体
(2)安森美LED驱动芯片
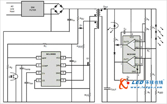
安森美半导体NCL30000是一款极佳的产品,成本低,性能佳。这器件集成了PFC、DC-DC转换和LED驱动器,简单易用,其小型SOIC封装也有利于小巧设计和低成本。NCL30000采用紧凑型的8引脚表面贴装封装,使用临界导电模式反激架构,以单段式拓扑结构,在宽AC输入电压范围内提供大于0.95的高功率因数。典型应用包括LED驱动器电源、LED嵌灯、三端双向可控硅开关组件(TRIAC)可调光LED灯及功率因数校正恒压电源。其典型应用原理图如图6所示。
图6:NCL30000 典型应用原理图
二极管改为空心通直线,电阻为长方形,符号改为斜体,脚注改为小写正体
(3)美国国家半导体LED驱动芯片
恒流降压型,Vin范围:LM3405 3V -15V/LM3405A 3V-22V;基准电流源:200mV;工作频率:0.550/1.6MHZ;PWM调光。典型应用为:家用照明、路灯、广告装饰等。LM3405典型应用原理图见图7.
图7:LM3405典型应用原理图
二极管改为空心通直线,电阻为长方形,符号改为斜体,脚注改为小写正体
(4)台湾点晶科技LED驱动芯片
DM413是全彩驱动芯片,内置灰度产生器,采用PWM脉宽调制方式。专为LED 照明、装饰、大屏显示等应用而设计。最大恒流输出:100mA;最大输出承受电压: 17V;最大串行时钟频率:20MHz;芯片工作电压:3.3V--5.5V.DM413具有若干信号输入输出引脚及多个功能设定引脚。信号通过输入接口给DM413相应的输入引脚。3个输出引脚用于连接LED,可分配给R,G,B三个颜色,同一个输出引脚接相同颜色的LED,根据配色需要,每个输出引脚可接一个或多个LED.控制器输出接口具有三条信号线:一条串行数据输出线,一条时钟信号输出线及一条锁存信号线。这三条线分别接到驱动芯片相应的3个引脚上。和一般的串行移位机制相同,在时钟信号的控制下,串行数据在驱动芯片内部移位寄存。当数据发送接收完毕,控制器向驱动芯片发送锁存信号,使LED驱动芯片锁存已存储的数据,同时会根据所存储的数据驱动LED发光。该方式控制LED以人眼分辨不出的高频率快速亮灭,根据芯片所存储的数据设定亮和灭所占的比例,即实现灰度级别的控制。DM413的典型应用原理图见图8.
图8:DM413典型应用原理图
二极管改为空心通直线,电阻为长方形,符号改为斜体,脚注改为小写正体
5、结语
综上所述可以看出,LED在工作时需要有稳流、稳压的元件,但是此类元件应具备自身承担的分压高但功耗要小的特性。所以,应尽可能采用电容、电感或有源开关电路等高效电路,这样才能保证LED系统的高效率。采用串联式集成恒功率输出电路,可以使LED的光输出在很宽的电源范围内保持恒定,但一般的IC电路会因此而使效率有所下降。采用有源开关电路,可以保证在较高的转换效率下,实现电源电压大幅度变化时恒功率输出。LED现今绝大多数芯片都可以从0~100%的调制光度,并且可保证在整个调光过程保持较高光效,并且不损害LED的寿命。目前,针对光度控制方面,主要的两种解决方案为线性调节LED的电流(模拟调光)或在肉眼无法察觉的高频下,让驱动电流从0到目标电流值之间来回切换(数字调光)。利用脉冲宽度调变(PWM)来设定循环和工作周期可能是实现数字调光的最简单的方法。






