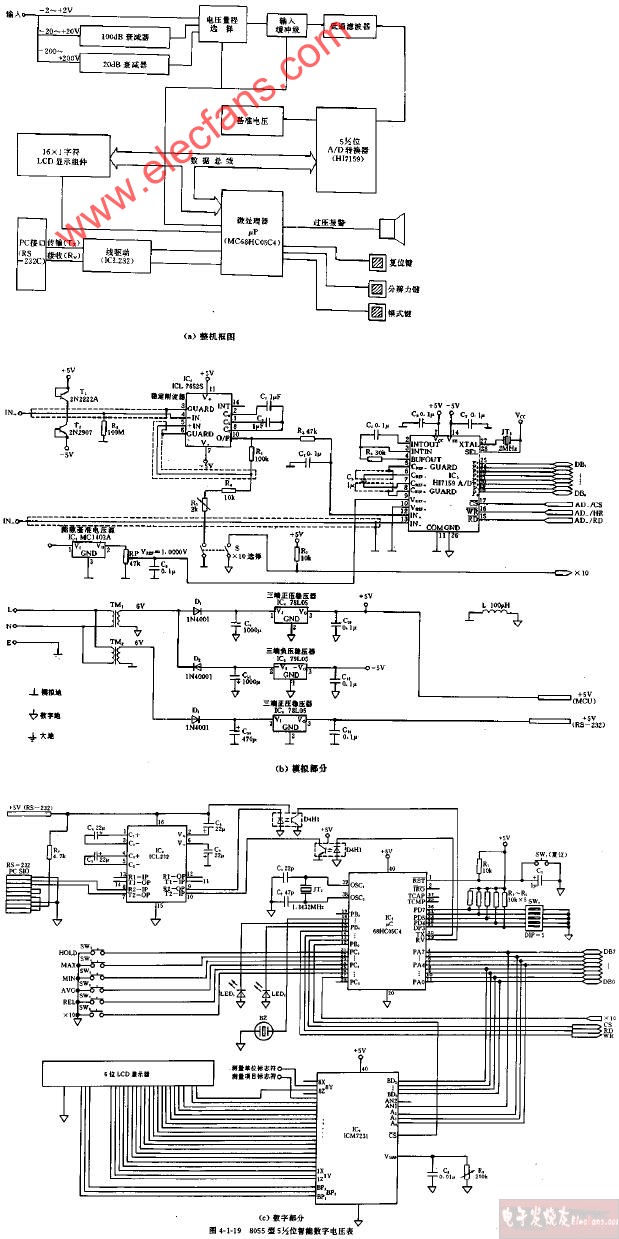
8055型5,1 2位智能数字电压表电路图

来源:电子发烧友 作者:华强电子网 时间:2019-01-22 20:45

电路图

8055型5,1 2位智能数字电压表电路图

资讯排行榜

  • 每日排行
  • 每周排行
  • 每月排行

华强资讯微信号

关注方法:
· 使用微信扫一扫二维码
· 搜索微信号:华强微电子