在三种截然不同的电源之间实现无缝切换设计方案
来源:元器件交易网 作者:—— 时间:2012-02-08 14:06
LTC3456具有一个适于为闪存卡供电的内置热插拔输出。该热插拔输出具有短路和反向电压隔离功能。它允许在系统上进行存储插件的带电插拔。它具有一个适合向闪存卡供电的120mA(典型值)内置电流限值。
LTC3456提供了针对主输出和内核输出的短路保护功能。它还为所有的输出(VMAX输出除外)提供了输出断接功能。在停机模式中,内核输出、主输出和热插拔输出均被放电至地。在VBATT、VINT、VEXT和USB电压中,VMAX输出是最高的。该输出可被用来提供1mA的最大输出电流。即使在IC处于停机模式的情况下,VMAX输出也将保持运行状态,因而适于向实时时钟等关键系统部件供电。
表1 LTC3456 PowerPath工作模式和特点概要

PowerPath控制
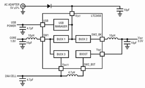
LTC3456包含一个专有的PowerPath控制电路,可实现系统电源之间的无缝切换(从两节AA电池至USB/墙上电源,反之亦然)。图3示出了内部电源通路的简化方框图。AC适配器和USB总线通过VEXT引脚向开关稳压器供电。LTC3456包含一个全功能USB电源管理器,以利用USBHP和SUSPEND引脚的状态来控制来自USB引脚的功率通量。流经USB引脚的电流被精确地限制为100mA或500mA(视USBHP引脚的状态而定)。通过把SUSPEND引脚拉至高电平可停用所有的USB功能。

图3 用于说明内部PowerPath的LTC3456简化方框图
当必须提升两节AA电池电压(1.8V至3.2V)以生成3.3V输出、以及必须对USB/墙上电源(4V至5.5V)进行降压操作以生成相同电压时,DC-DC转换将是一项特别具有挑战性的工作。LTC3456通过BOOST和BUCK2转换器完成了这项任务。这是生成3.3V电源轨最为有效的方式。当从电池或USB/交流适配器来生成3.3V输出时,LTC3456实现了高于90%的效率。内核输出(1.8V)是通过 BUCK1(由USB/墙上电源来供电)和BUCK3(由电池来供电)转换器来生成的。LTC3456的独特拓扑结构可利用单个电感器来生成1.8V电源轨,从而节省了成本和空间。当从电池来生成1.8V输出时,它实现了92%以上的效率。表1列出了LTC3456不同的工作模式。
便携式设备需要实现从电池电源至USB或墙上电源的无缝切换(反之亦然)以确保平稳的系统运作。例如,一位用户正在一个连接了USB电缆的便携式MP3播放机上播放音乐。如果USB电缆被猛然从设备上拉脱,则用户应能够继续聆听音乐,而不会觉察到任何中断现象。LTC3456通过实现系统电源的无缝切换而使这种愿望成为可能。当SUSPEND引脚被从低电平拉至高电平时,USB电源不可用。主输出和内核输出在切换时均呈现出小于?%的总偏差,从而实现了至处理器内核和外围电路的无缝切换。






