LED驱动器IC轻松实现无闪烁调光
来源:LED环球在线 作者:--- 时间:2011-04-06 00:00
led亮度高、功耗小、小型化、寿命长等优点推动了该技术的迅速发展,但LED照明技术仍存在成本高、散热器过大、发光率低以及调光等挑战。在设计过程中,工程师进行LED常规调节时往往会遇到启动速度慢、闪烁、光照不均匀等情况,因此如何解决LED闪烁问题成为工程师当务之急。如果能够提供高精度恒流控制(能够分析可控硅控制器的可变相位角输出,对流向LED的恒流进行单向调整),输入EMI滤波器电感和电容非常小,那么进行有效的无闪烁调光是否便能成为可能?日前,Power Integrations (PI)公司LinkSwitch-PH系列LED驱动器IC很好地解决这一困扰,该产品的初级侧控制技术还省去了隔离反激式电源中常用的光耦器和辅助电路(即次级侧控制电路),同时控制器中的PFC部分还省去了大容量电解电容,这对LED无闪烁调光的确带来了一大福音。
如今,LED照明已成为一项主流技术。LED手电筒、交通信号灯和车灯比比皆是,各个国家正在推动用LED灯替换以主电源供电的住宅、商业和工业应用中的白炽灯和荧光灯。换用高能效LED照明后,实现的能源节省量将会非常惊人。仅在中国,据政府当 局估计,如果三分之一的照明市场转向LED产品,他们每年将会节省1亿度的用电量,并可减少2900万吨的二氧化碳排放量。然而,仍有一个障碍有待克服,那就是调光问题。
白炽灯使用简单、低成本的前沿可控硅调光器就可以很容易地实现调光。因此,这种调光器随处可见。固态照明替换灯要想真正获得成功的话,就必须能够使用现有的控制器和线路实现调光。
白炽灯泡就非常适合进行调光。具有讽刺意味的是,正是它们的低效率和随之产生的高输入电流,才是调光器工作良好的主要因素。白炽灯泡中灯丝的热惯性还有助于掩盖调光器所产生的任何不稳定或振荡。在尝试对LED灯进行调光的过程中遇到了大量问题,常常会导致闪烁和其他意想不到的情况。要想弄清原因,首先有必要了解可控硅调光器的工作原理、LED灯技术以及它们之间的相互关系。
图1所示为典型的前沿可控硅调光器,以及它所产生的电压和电流波形。
图1. 前沿可控硅调光器
电位计R2调整可控硅(TRIAC)的相位角,当VC2超过DIAC的击穿电压时,可控硅会在每个AC电压前沿导通。当可控硅电流降到其维持电流(IH)以下时,可控硅关断,且必须等到C2在下个半周期重新充电后才能再次导通。灯泡灯丝中的电压和电流与调光信号的相位角密切相关,相位角的变化范围介于0度(接近0度)到180度之间。
用于替换标准白炽灯的LED灯通常包含一个LED阵列,确保提供均匀的光照。这些LED以串联方式连接在一起。每个LED的亮度由其电流决定,LED的正向电压降约为3.4 V,通常介于2.8 V到4.2 V之间。LED灯串应当由恒流电源提供驱动,必须对电流进行严格控制,以确保相邻LED灯之间具有高匹配度。
LED灯要想实现可调光,其电源必须能够分析可控硅控制器的可变相位角输出,以便对流向LED的恒流进行单向调整。在维持调光器正常工作的同时做到这一点非常困难,往往会导致性能不佳。问题可以表现为启动速度慢,闪烁、光照不均匀,或在调整光亮度时出现闪烁。此外,还存在元件间不一致以及LED灯发出不需要的音频噪声等问题。这些负面情况通常是由误触发或过早关断可控硅以及LED电流控制不当等因素共同造成的。误触发的根本原因是在可控硅导通时出现了电流振荡。图2以图表形式对该影响进行了说明。
图2. 发生在LED灯电源输入级的可控硅电流与电压振荡
可控硅导通时,AC市电电压几乎同时施加到LED灯电源的LC输入滤波器。施加到电感的电压阶跃会导致振荡。如果调光器电流在振荡期间低于可控硅电流,可控硅将停止导电。可控硅触发电路充电,然后重新导通调光器。这种不规则的多次可控硅重启动,可使LED灯产生不需要的音频噪声和闪烁。设计更为简单的EMI滤波器有助于降低此类不必要的振荡。要想实现成功调光,输入EMI滤波器电感和电容还必须尽可能地小。
振荡的最差条件表现为90度相位角(这时,输入电压达到正弦波峰值,突然施加到LED灯的输入端),并且为高输入电压(这时,调光器的正向电流达到最低水平)。当需要深度调光(比如相位角接近180度)且为低输入电压时,则会发生过早关断。要可靠地调低光度,可控硅必须单调导通,并停留在AC电压几乎降至零伏的点上。对于可控硅来说,维持导通所需的维持电流通常介于8 mA到40 mA之间。白炽灯比较容易维持这种电流大小,但对于功耗仅为等效白炽灯10%的LED灯来说,该电流可降低到可控硅维持电流以下,导致可控硅过早关断。这样就会造成闪烁和/或限制可调光范围。
在设计LED照明电源时还有许多其他问题构成挑战。能源之星固态照明规范要求商业和工业应用的最小功率因数必须达到0.9,照明产品必须满足效率、输出电流容差和EMI的严格要求,并且电源还必须在LED负载发生短路或开路的情况下作出安全响应。
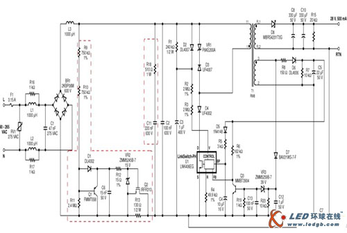
Power Integrations (PI)最近所取得的技术进展为如何解决LED驱动和可控硅的兼容性问题提供了参考范例。图3是PI开发的可控硅调光的14 W LED驱动器的电路图。
图3. 隔离式可控硅调光的高功率因数通用输入14 W LED驱动器的电路图
本设计采用了LinkSwitch-PH系列器件LNK406EG (U1)。LinkSwitch-PH系列LED驱动器IC同时集成了一个725 V功率MOSFET和一个连续导通模式初级侧PWM控制器。控制器可实现单级主动功率因数校正(PFC)和恒流输出。LinkSwitch-PH系列器件所采用的初级侧控制技术可提供高精度恒流控制(性能远优于传统的初级侧控制技术),省去了隔离反激式电源中常用的光耦器和辅助电路(即次级侧控制电路),同时控制器中的PFC部分还省去了大容量电解电容。
LinkSwitch-PH系列器件可设置为调光或非调光模式。对于可控硅相位调光应用,可在参考(REFERENCE)引脚上使用编程电阻(R4)和在电压监测(VOLTAGE MONITOR)引脚上使用4 MΩ (R2+R3)电阻,使输入电压和输出电流之间保持线性关系,从而扩大调光范围。
连续导通模式具有两大优势:降低导通损耗(从而提高效率)和降低EMI特征。EMI特征降低后,使用较小的输入EMI滤波器即可满足EMI标准。可省去一个X电容,并省去共模扼流圈或减小其尺寸。LinkSwitch-PH器件中内置的高压功率MOSFET开关频率抖动功能还可进一步降低滤波要求。输入EMI滤波器尺寸减小意味着驱动电路的电阻性阻抗随之减小,其重要好处就是能大幅降低输入电流振荡。由于LinkSwitch-PH由其内部参考电源供电,因此可进一步增强稳定性。对于可调光应用,增加主动衰减电路和泄放电路可确保LED灯在极宽的调光范围内稳定工作,且无任何闪烁。
恒流控制允许有±25%的电压摆幅,这样就无需根据正向电压降对LED进行编码,并且±5%的差异仍可确保一致的LED亮度。
这个14 W LED设计实现了与标准前沿可控硅AC调光器兼容、极宽调光范围(1000:1,500 mA:0.5 mA)、高效率(> 85%)和高功率因数(> 0.9)的目标。它说明与LED灯可控硅调光相关的问题是可以克服的,甚至可以简化驱动器设计,使可调光LED灯更具成本效益,且达到一致和可靠的性能。






